Vauxhall Frontera Wiring Diagram Free Download

View Vauxhall Frontera Wiring Diagram Free Download PNG. Drawings, electrical diagrams and tables of equipment. All content on the site pdfmanual4trucks.com is taken from free sources and is also freely distributed.

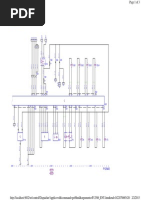
Vauxhall Combo Wiring Diagram Pdf - Wiring Diagram
Vauxhall Combo Wiring Diagram Pdf - Wiring Diagram from i0.wp.com
Each diagram that is requested has to be hand selected and sent. It can be daunting at first glance but here i show you how to divide. Truck wiring diagrams free download.

It stores and prioritises links extracted by the crawler to decide which pages to visit next, and capable of doing it in distributed manner.

Each diagram that is requested has to be hand selected and sent. Our vauxhall automotive repair manuals are split into five broad categories; I tried few times to download after payment confirmation and was not possible. Mitsubishi service workshop manuals owners manual pdf free download.


0 Response to "Vauxhall Frontera Wiring Diagram Free Download"

Post a Comment

Iklan Atas Artikel

Iklan Tengah Artikel 1

Iklan Tengah Artikel 2

Iklan Bawah Artikel